1月27日,一位名叫Maniek86的程序员兼电子爱好者,历时近6个月,从零开始,独立设计并成功打造出了一块功能完整的Intel 486架构主板M8SBC-486。该项目不仅完成了底层原理图的设计,还包括了PCB的绘制以及芯片组逻辑的实现。
这块自主设计的M8SBC-486主板,展现了强大的兼容性和运行能力。它能够稳定地运行Linux、MS-DOS、FreeDOS等多种操作系统,并且能够流畅地运行《毁灭战士》和《德军总部3D》等多款经典游戏。甚至在特定的配置环境下,还成功启动了Windows 3.1操作系统,这对于一块自制486主板来说,无疑是一个令人印象深刻的成就。
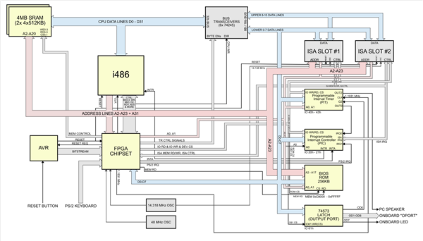
Maniek86本人强调,M8SBC-486的诞生并非是对现有老主板设计的简单改良,而是真正意义上的全新设计。他从芯片组的逻辑控制,到复杂的引脚时序,再到BIOS代码的编写,每一个环节都进行了独立的设计和实现。这背后是对486 CPU核心工作原理的深度理解,包括其总线协议、时钟信号产生与控制、中断管理机制以及存储器的读写时序等关键底层细节的精准把握。
在个人技术博客中,Maniek86详细记录了他亲手打造的过程。从焊接最小的电阻、电容等元器件,到精心处理144引脚的FPGA芯片和ATMega128微控制器等关键集成电路的焊接,再到为PGA封装的CPU插槽巧妙地设计和制作了切割拼接的DIP插座,每一步都充满了技术挑战和创造力。
项目在测试阶段也并非一帆风顺,Maniek86遇到了不少棘手的技术难题。例如,SRAM元件因贴标倒置导致了硬件短路,不同芯片的封装存在混淆,以及中断控制器未能正常工作等问题。但他没有放弃,而是通过临时添加下拉电阻、自行制作转接适配器等一系列富有创造性的解决方案,逐一攻克了这些难关。
最终,在借助示波器等专业测量工具的辅助下,Maniek86成功让486 CPU在他的自制主板上运行起了一个无限循环程序,随后逐步实现了ISA总线的功能。这标志着他完成了从硬件焊接、核心部件集成到基础功能实现的整个流程的突破,真正意义上将一块486主板“点亮”。
目前,Maniek86已将M8SBC-486项目的全部成果——包括详细的原理图、PCB设计文件以及BIOS源代码——全部在GitHub上进行了开源。他本人也坦言,这块主板仍然有进一步优化的空间,并计划在未来继续完善其ISA扩展槽的功能以及整体的PC兼容性,以期能有更高的复用价值和更广泛的应用潜力。


